研究分野の異なる研究者や,MEMS,微細加工等を知らない一般の方が興味を持ちそうな写真を募一環としてフォトコンテストを開催してきました。ミリ部門・マイクロ部門・ナノ部門のスケールごとの3部門,高校生部門,企業スポンサー部門,ロゴデザイン部門に全21作品のご応募を頂きました。会期中,応募作品と作品の概要を会場の入口付近に展示致します。アートの様な写真が撮影されるまでの工程や原理を理解することで,作品をもっと興味深く閲覧できるのではないでしょうか。
【高校生部門】
![]() 特別賞 HS1 僕が見つめる未来 福井 心寧(栃木県立鹿沼商工高等学校)トンボが目の前に止まった時に,逃げないようゆっくり近づきながらとった一枚です。 |
![]() HS2大人になれなかった者たち 福井 心寧(栃木県立鹿沼商工高等学校)ハチの巣が落ちていて,その中をのぞいたらまだ幼虫が入っている状態だったので,そこを狙って撮りました。 |
![]() 特別賞 HS3 霧氷 中野 優美(栃木県立鹿沼東高等学校)イオン化傾向の実験で金属樹を作成しましたが,顕微鏡で微細構造を撮影しました。 |
![]() HS4 斜方硫黄 中野 優美(栃木県立鹿沼東高等学校)同素体の実験で,斜方硫黄をつくり,顕微鏡で撮影しました。 |
【ナノ部門: 写真の長辺が100 µm未満の作品】
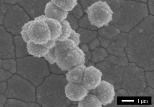
![]() 最優秀賞 NM1 朝礼,始まるってよ。 河井 哲子, 三田 吉郎(東京大学)夏,朝礼が始まります。長い校長の訓話,何だかダルい17歳の夏。作品は Cu-Ni-Cu のナノめっきピラー構造体です。 |
![]() NM2 春の異物 信太 智貴(埼玉大学)味覚センサの表面構造を確認している中,そこは見慣れぬ異物。だが,どこかで目にしている。二月―この異物は,花粉のユービッシュ小体と呼ばれる微細な突起。私はモノクロームの世界で春を感じた。 |
![]() 優秀賞 NM3 ナノ宇宙の惑星と衛星 坊野 慎治, 小西 聡(立命館大学)マイクロサイズの滴中に閉じ込められた異方性分子のアニール過程の顕微鏡像です。マイクロ滴の周りには,まるで衛星のような小さな滴が漂っています。その中でナノサイズの分子の配向が刻一刻と変化しています。 |
![]() NM4 極夜を仰ぐペンギン 吉田 安紀彦(東京大学)ウェハを切断すると,サブミリからナノサイズのパーティクルが多数発生します。チップ表面のそれらをどう取り除くかがここ最近の課題でした。この写真は,そのうちの約100 µmのパーティクルの一部分です。 |
【マイクロ部門:写真の長辺が100 µm以上,1000 µm未満の作品】
![]() 現地投票部門 UM1 マイクロ歯 寒川 雅之(新潟大学)整然と連なる微細構造が,まるで歯列のようにも見えます。その中に,ミクロの世界が持つ秩序と美しさを感じ取ることができます。 |
![]() 優秀賞 UM2 ミクロの導火線 小林 雅史(早稲田大学)マイクロ流路内でのペロブスカイト量子ドット合成の蛍光顕微鏡像。今にも何かが起こりそうな緊張感と,微小ながらダイナミックな合成の様子を表現しています。 |
![]() 最優秀賞 UM3 葉っぱ 田上竜也,峯田貴(山形大学)ポジ型レジスト上にSU-8層を形成したところ,ベーク不足で気泡とシワが発生し・・・黄緑色の可愛いマイクロ”葉っぱ”ができました!(画像サイズ:600 µm✕450 µm) |
![]() UM4 上空から見た田園風景 大槻 力輝, 峯田 貴(山形大学)PDMS上のAl膜が盛り上がって濃い緑の山々になり,Al膜が剥がれた個所のPDMS表面には亀裂が生じて黄色い田んぼが無数にでき・・・山形の田園地帯の航空写真みたい。リアルすぎて熊まで出没しそう!? |
![]() UM5 十字騎士団の紋章 田上 竜也, 山田 知樹, 峯田 貴(山形大学)SU-8層の上にAl膜を蒸着しておりましたが,アライメントマーク部で未露光のSU-8がイイ風合いでシワシワになり,十字騎士団風の紋章が出来上がりました。 |
![]() UM6 100ミクロンのニケ 廣安 幸志郎(東京大学)ダイシング後のチップの上に乗っている加工くずをSEMで捉えました。その造形は,あたかも船首に舞い降りる勝利の女神サモトラケのニケを思わせる,ダイナミックな流動性と力強い躍動感に満ちています。2200年の時を経てクリーンルームで生まれたヘレニズム彫刻に通じる偶然の美をご体感ください。 |
![]() UM7 マイクロ宇都宮餃子の出来上がり! 藤田 理紗(早稲田大学)液滴融合の偶然が生み出した,宇都宮の味といえば餃子。 顕微鏡の中にも,美味しそうな瞬間があります。 |
![]() UM8 南極大陸の奥地で発見 情野 賢,遠堀 綾里,山口 紗羅,笠原 崇史(法政大学)FTO基板に成膜した酸化チタンナノ粒子表面をデジタルマイクロスコープで撮影しました。 ナノ粒子の層が厚く,むき出しの化石や南極のクレバスのようなクラックが発生しています。 |
【ミリ部門:写真の長辺が1 mm以上の作品】
![]() 最優秀賞 MM1 Gyoza-inspired Kirigami 杉原 大樹(早稲田大学)宇都宮開催にちなみ,GyozaとKirigamiの技術を融合したデバイスを製作しました.皿の上で引っ張れば,マイクロサイズの餃子が一斉に起き上がって定食が完成します.次回は佐野ラーメンも起き上げてみます. |
![]() MM2 たおやかなる中禅寺湖 杉原 大樹(早稲田大学)意図せぬ応力で湾曲したKirigamiミラーアレイです.高さの異なる膨らんだ波が輝き,日光で見た中禅寺湖の水面を思わせるものでした.今後も研鑽を重ね,華厳の滝まで作る所存です. |
![]() 優秀賞 MM3 培養した筋肉で動かすロボット 大場 翔太(東京大学)このロボットは,実験室で培養した「生きた筋肉」を動力源として歩行します。 搭載された筋肉に電圧で刺激を与えると,筋肉が収縮します。この収縮する力を利用して脚を動かし,一歩一歩,前へ進みます。 |
![]() MM4 光の回廊 安永 竣(東京大学)Silicon on Insulator基板のハンドル層を深堀りエッチング.アンダーカットが深く,マスク材 (SiO2) とSi基板の間に干渉縞を生じました.冷却が不十分でした. |
![]() MM5 虹の幹―層流が導く七色 竹内 琢登(慶應義塾大学)フォトリソグラフィで作製した樹状マイクロ流路に複数の色水を層流で導入し,混ざらないまま合流・分岐する過程を可視化した.幹で出会い,枝で別れる流れが七色の分配として現れる瞬間を,一枚に記録している. |




















